
Designing Reliable Dual-Power Systems with TPS2117 Power Mux
In embedded and low-power applications, power path management is a crucial design challenge—especially

In embedded and low-power applications, power path management is a crucial design challenge—especially

Part 1: Market Landscape & Technology Drivers Across industries such as instrumentation, medical

Understand Core Parameters and Practical Logic in 5 Minutes Power management ICs (PMICs)

In embedded product design, the MCU (Microcontroller Unit) is one of the most

As modern industrial and communication systems demand faster speeds and higher reliability, digital

As the core component of energy storage, batteries are widely used across various

Overview LAN8720AI-CP is a highly integrated, low-power 10/100 Mbps Ethernet physical layer (PHY)

In the semiconductor industry, chip packaging technology not only determines the reliability and

In fields such as industrial automation, machine vision, and intelligent inspection, high-performance image

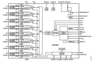
AD7606: High-Performance Analog-to-Digital Converter for Data Acquisition Systems The AD7606 is a high-performance

In today’s digital age, we rely on a vast array of electronic devices

With the rapid growth of IoT technology, Texas Instruments’ (TI) CC2642R Bluetooth Low
We will contact you within one working day after getting your message. if urgent, please contact us directly via email sales@sgtranssen.com